Deze elektrische lier behoort echt tot de eye catcher van Gebuwin. Een echte robuuste lier die dit jaar opnieuw is uitgebracht door Gebuwin en waarin het team van engineers alle innovaties van de huidige tijd hebben toegepast.
Dit maakt de e-Winch van Gebuwin een mooie sterke maar betaalbaar product in zijn prijsklasse. Gebuwin hoopt daarmee haar klanten nog betere tegemoet te kunnen komen. Deze lier is uitgevoerd met een krachtige driefasige motor. Bruut in zijn kracht, zorgzaam voor uw budget.
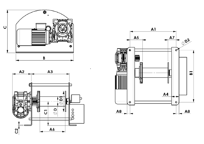
Specificaties
- geschikt voor hijsen en trekken
- onderhoudsvrije lagers
- beschermingsclassificatie IP54, isolatie classificatie F
- standaard overbelastingsbeveiliging vanaf 1000 kg
- krachtige driefasige motor voor meerdere spanningen 380 – 415V / 50 Hz of 60 Hz
- bedieningspeer met 1 snelheid met kabel van 1 meter
- standaard voedingskabel van 2 meter inclusief 16A CEE-stekker
- 1 lak laag















